- 用戶信息中心
-
- 最新推薦
- 本月排行TOP50
-
- 還沒有任何項目!
目前市場上板型種類繁多,各鋼結構公司都有自己的相應的板型,但占主導地位的還是以下幾種系列的板材:屋面以360度咬口板為主,墻面以暗口波浪板、螺釘外露板為主、樓承板以鋼筋桁架樓承板、開口型、閉口型樓承板為主。下面以國內一家鋼結構公司的板型為例,作下簡單介紹。
1、屋面板系列
屋面常用的壓型鋼板型號有HV-470、HV-612、HV-380、HV-450等;
鋁鎂錳系列有HV-330、HV-400、HV-430等;
與柔性屋面配套的專用螺釘板HV-125、HV-256壓型鋼板;
其他單板壓型鋼板還有HV-207A(琉璃瓦),以及我們最常用的內層HV-109、HV-900壓型板。
雙層板有聚氨酯屋面板、巖棉屋面板、EPS輕質屋面板。
(1)HV-470屋面板板型及連接節點:
HV-470屋面板產品特性:
HV-470屋面板采用展開寬度600mm的彩鋼卷板,機械壓型有效寬度470mm,有效利用率達78.3%,波峰65mm,一般用于建筑物屋面外層板;采用360度暗扣式咬合,通過專用滑動固定支座,將支座的底座與檁條用螺釘連接,使板與支座扣件360度咬合扣合;該支座具有二大特點:1、支座下設絕緣墊片,防止冷橋和熱橋;2、專用滑動固定支座,防止溫度變化產生熱膨脹冷縮變型。雙鎖定直立式扣合縫相互連接,比一般金屬屋面減少95%的穿孔固定件,具有優良的密封性能,雙鎖定直立縫高出屋面75mm,消除漏水最大隱患,防水滲漏性能獨特,外表面無螺釘,實用美觀。
(2)HV-612屋面板板型及連接節點:
HV-612屋面板產品特性:
HV-612屋面板采用展開寬度760mm的彩鋼卷板,機械壓型有效寬度612mm,有效利用率達 80.5%,波峰75mm,一般用于建筑物屋面外層板;采用360度暗扣式咬合,通過專用滑動固 定支座,將支座的底座與檁條用螺釘連接,使板與支座扣件360度咬合扣合;該支座具有二 大特點:1、支座下設絕緣墊片,防止冷橋和熱橋;2、專用滑動固定支座,防止溫度變化 產生熱膨脹冷縮變型。雙鎖定直立式扣合縫相互連接,比一般金屬屋面減少95%的穿孔固定 件,具有優良的密封性能,雙鎖定直立縫高出屋面75mm,消除漏水最大隱患,防水滲漏性 能獨特,可用作屋面圓弧板;外表面無螺釘,實用美觀,是一種利用率高經濟實用的屋面板。
(3)HV-380屋面板板型及連接節點:
HV-380屋面板產品特性:
為什么跟HV-612的參數一模一樣??
HV-380屋面板采用展開寬度1000mm的彩鋼卷板,機械壓型有效寬度760mm,有效利用率達76%,波峰75mm,一般用于建筑物屋面外層板;采用180度暗扣式咬合。通過專用滑動固定 支座,將支座的底座與檁條用螺釘連接,使板與支座扣件180度咬合扣合;該支座具有兩大特點:
1、支座下設絕緣墊片,防止冷橋和熱橋;
2、專用滑動固定支座,防止溫度變化產 生熱膨脹冷縮變型。180度咬口,減少咬口對涂層的破壞,波型高,受力性能優越,外表面無螺釘,實用美觀,可彎圓。
(4)HV-400鋁鎂錳板板型及連接節點:
聚氨酯彩鋼夾芯板六大核心優勢:
1、節能保溫:芯材閉孔率≥97%,隔熱性能優越。
2、阻燃防火:產品已通過《國家固定滅火系統和耐火構件質量監督檢驗中心》檢驗,燃燒等級可達到GB8624-2006相應標準。
3、氣密隔音:吸音性好,對雨水、冰雹等沖擊而引起的聲響有消減作用。
4、綠色環保:不含甲醛,不受微生物侵襲,可循環使用。
5、美觀經濟:表面形式多樣、色彩豐富、減少材料損耗,節省施工時間及工程費用。
6、施工快捷:聚氨酯板材是在工廠高度受控、恒溫的環境下生產,質量穩定、施工快速、應用已超過35年。
2、墻面板系列
墻面常用的板型有暗扣板、螺釘隱藏式板、螺釘外露板。
HV-310、HV-156、HV-360屬暗扣板;
HV-248屬螺釘隱藏式板;
HV-200屬螺釘外露板;
HV-310墻面板產品特性:
HV-310墻面板采用展開寬度500mm的彩鋼卷板,機械壓型有效寬度310mm,有效利用62%, 波峰38mm,一般用于建筑物外層板;較傳統的板型不同,該板型為單層暗扣式橫向板(也 可做豎向板用),螺釘不外露,防水效果優;表面為波浪型,承載能力強、外觀新穎、美 觀大方,獨特的防水性能,主要適用于辦公樓、工業廠房、大型的公共建筑物墻面。
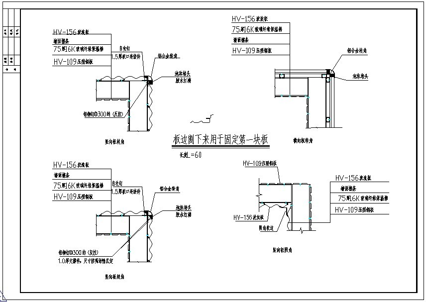
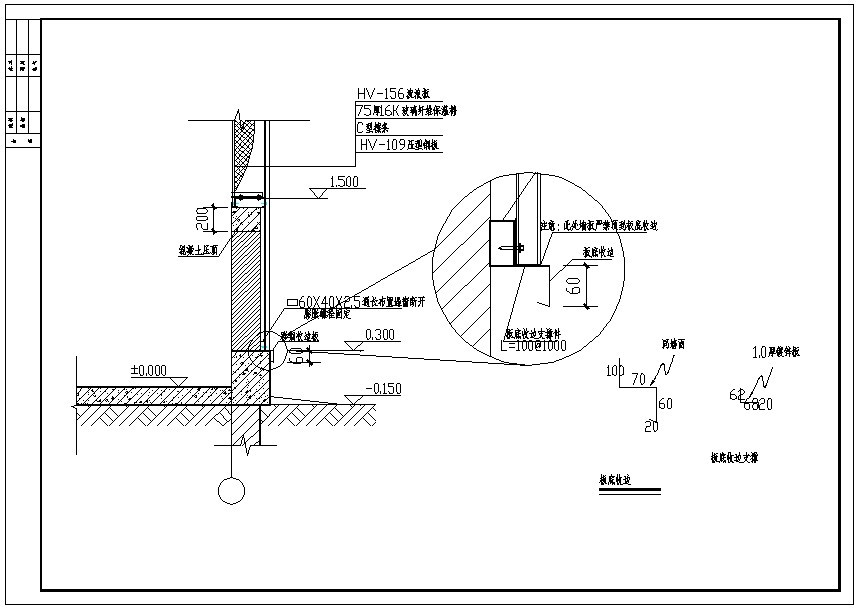
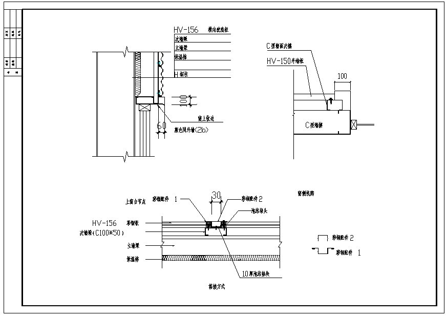
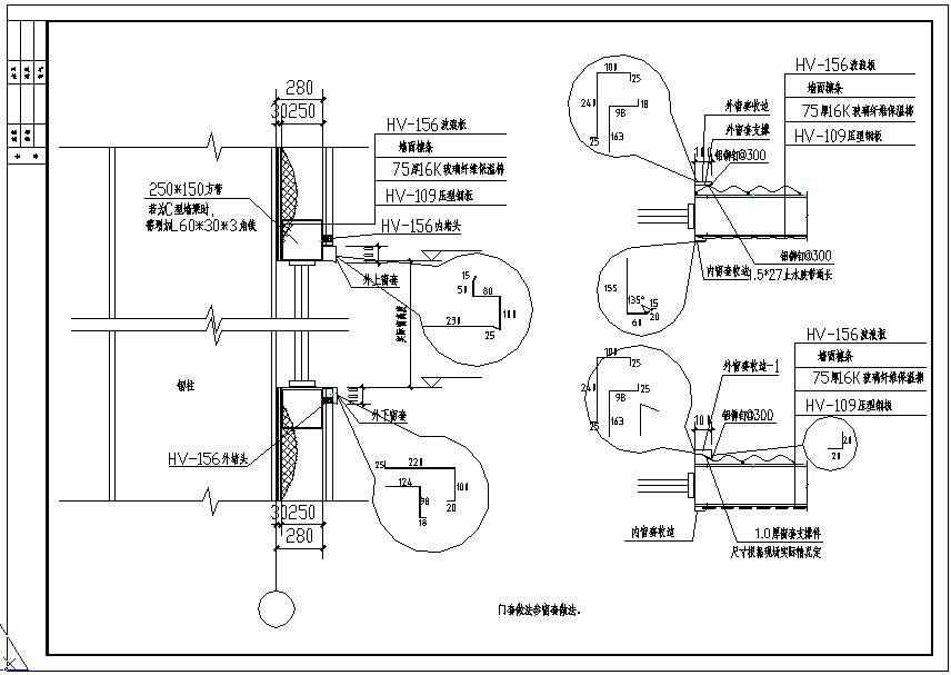
(2)HV-156大波浪板板型及連接節點:
HV-156墻面板產品特性:
HV-156墻面板采用展開寬度500mm的彩鋼卷板,機械壓型有效寬度311mm,有效利用62%, 波峰58mm,一般用于建筑物外層板;較傳統的板型不同,該板型為單層暗扣式橫向板(也可做豎向板用),螺釘不外露,防水效果優;表面為波浪型,承載能力強、外觀新穎、美觀大方,獨特的防水性能,主要適用于辦公樓、工業廠房、大型的公共建筑物墻面。
(3)HV-248壓型鋼板板型及連接節點:
HV-248墻面板產品特性:
HV-248壓型鋼板主要用作外墻板,也可當內層板,該板型有效利用面積大,經濟實用;
波峰規則,視感清潔、美觀 ,螺釘隱藏在波谷內。
2、配套的小件:
固定座
托板
檐口金屬堵頭
屋脊金屬堵頭
屋脊搭接墊片
風機蓋帽
3、常用的板材連接方式有鉚釘連接和自攻螺釘連接兩種。
鉚釘連接是利用鉚釘將兩個或兩個以上的元件(一般為板材或型材)聯接在一起的一種不可拆卸的連接。常用的有半圓頭、平頭、沉頭鉚釘、抽芯鉚釘、空心鉚釘。
自攻螺釘:多用于薄的金屬板(如鋼板等)之間的連接。由于自攻螺釘的螺紋表面具有較高的硬度,可在被連接件的螺紋底孔中攻出內螺紋,從而形成連接。
三、工廠的加工制作
1、生產流程
壓型鋼板生產流程:裝料、成型、切斷、打包。
聚氨酯線生產流程:上料、覆膜、預熱、噴膠、發泡、定型、切割、半自動打包。
2、加工產能
3、質量控制
由于板材的特殊性,一旦出現質量事故就會直接產生報廢,不宜反修,因此要求加工時必須嚴格控制其質量,做到出廠合格率為100%。為了達到這個目標,必須對其各項數據都有嚴格的控制,具體見附表。
屋面板原材料采用鍍鋁鋅本色板或者彩板,厚度0.50mm-0.8mm之間, 鍍鋁鋅本色板雙面鍍鋁鋅量應不小于150g/m2,最高不超過180g/m2,鍍鋁鋅彩板雙面鍍鋁鋅量應不小于100g/m2,最高不超過180g/m2,鍍鋅彩板雙面鍍鋅量應不小于120g/m2,最高不超過275g/m2。材料屈服強度為普通、300Mpa、345Mpa三種,推薦最小屈服強度不小于300Mpa的材質。
玻璃纖維增強聚酯采光板,主要成分:玻璃纖維、間苯二甲酸聚酯、抗紫外線膜,板厚選用在1.2 ~2.0mm,使用年限≥15年,抗紫外線≥99%,耐溫限度-40 ~ +120℃。
4、產品包裝及運輸
(1)包裝時,相同編號的壓型板成疊用墊板上下墊實,用打包帶捆扎,每捆的重量不宜超過3噸。包裝箱應有足夠的強度及適當的大小和重量,以保證在運輸、搬運及堆垛過程中不會損壞,產品在箱內無竄動或擠壓,包裝箱內應有產品合格證及裝箱單。包裝完成后的壓型板,統一在其下墊上松木條。
(2)壓型鋼板和彩鋼配件應按區域分工程,分別堆放。入庫后的構件成品,由保管員負責貯存保管。成品要堆放在安全、干燥,便于吊運的位置。
(3)裝車時,板材與車廂之間應妥善捆扎,以防止車輛顛簸而發生散落。運輸綁扎必須固,防止松動。車廂最底層應墊鋪泡沫板,防止板材與車廂磕碰產生損壞。空隙處應以泡沫或小木片等墊實,防止折彎。運輸時,應根據板材的長度、重量選用車型,板材長出車身不應超過2米。產品在運輸車輛上的支點、兩端伸出的長度及綁扎方法均應保證產品不產生變形、不損傷產品表面涂層或鍍層,發車前,應注意天氣等不利因素。如遇雨雪天氣,應注意以帆布覆蓋車身。
避免用錯導致搭接位置不正確。




|
